03G329-1建筑物抗震构造详图 pdf高清电子版
http://www.100md.com
2016年3月18日
![]() |
| 第1页 |
![]() |
| 第2页 |
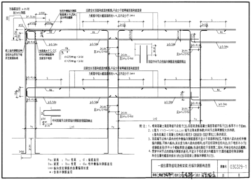
![]() |
| 第5页 |
![]() |
| 第13页 |
![]() |
| 第25页 |
![]() |
| 第45页 |
![]() |
![]() |
![]() |
| 03G329-1建筑物抗震构造详图 |
![]() |
参见附件(2181KB,49页)。
03g329 1图集是由北京建筑设计研究院主编,介绍了有关规定、构造图等内容,这里是pdf格式的,高清无水印,需要的就吧。
03g3291图集介绍
内容包括:适用最大高度、调整后用于确定抗震等级的设防烈度、抗震等级、轴压比限值、纵向钢筋配筋率、体积配箍率、沿梁全长箍筋的面积配筋率、框架节点核心区配置箍筋的要求、受拉钢筋锚固长度等。
03g329 1图集样张
03g3291图集目录
一.编制说明
二.有关规定
1.适用最大高度
2.调整后用于确定抗震等级的设防烈度
3.抗震等级
4.轴压比限值
5.纵向钢筋配筋率
6.体积配箍率
7.沿梁全长箍筋的面积配筋率
8.框架节点核心区配置箍筋的要求
9.保护层
10.受拉钢筋锚固长度
11.钢筋的搭接长度
三.构造图
1.一级抗震等级现浇框架梁,柱纵向钢筋构造图
2.二级抗震等级现浇框架梁,柱纵向钢筋构造图
3.三级抗震等级现浇框架梁,柱纵向钢筋构造图
4.四级抗震等级现浇框架梁,柱纵向钢筋构造图
5.一级抗震等级现浇框架梁,柱箍筋构造图
6.二级抗震等绥现浇框架粱,柱箍筋构浩图
7.三级抗震等级现浇框架梁,柱箍筋构造图
8.四级抗震等级现浇框架梁,柱箍筋构造图
9.现浇框架柱纵向钢筋连接构造
10.框架梁.柱截面配筋构造
11.框架柱箍筋构造
17.短柱,核心柱构造
13.剪力墙配筋及构造
14.剪力墙墙肢配筋及构造
15.剪力墙约束边缘构件配筋及构造
16.剪力墙构造边缘构件配筋及构造
17.剪力墙墙端边缘构件主筋连接构造
18.剪力墙墙体分布钢筋连接构造
19.剪力墙连粱配筋构造(一)
剪力墙连梁配筋构造(二)
20.剪力墙墙体及连梁开洞作法
21.框架一剪力墙配筋构造
22.框支剪力墙配筋构造(一)
框支剪力墙配筋构造(二)
23.框架一核心筒结构配筋构造
24.板柱一剪力墙结构配筋构造
25.建筑物中填充墙及隔墙的抗震措施……
相关资料1:
- 05S8管道及设备防腐保温图集 pdf高清电子版
- 新06j108聚苯乙烯板外保温建筑构造图集 pdf高清电子版
- gbz2.1 2017 标准 免费电子版
- 建设工程工程量清单计价规范gb50500-2013 pdf高清电子版
- 京瓷fs 6525mfp说明书 pdf高清电子版
- 00SJ202建筑坡屋面构造图集 pdf高清电子版
- 07fs02防空地下室给排水设施安装图集 pdf高清电子版
- 佳能 EOS 70D (W)基本使用说明书.pdf
- html5从入门到精通 pdf 完整版 高清电子版
- 06K105屋顶自然通风器选用与安装图集 pdf高清电子版
- 05ss904 pdf 免费电子版
- 06G101-6混凝土结构施工图平面整体表示方法制图规则和构造详图图集 pdf高清电子版
- 尼康d5000使用说明书 pdf中文电子版
- 01R405压力表安装图集 pdf高清电子版
- 爱浦多iped监控说明书 pdf高清电子版
相关资料2:
- l13j42专用门窗图集
- 02J102-2框架结构填充小型空心砌块墙体建筑构造图集 pdf高清版
- w3cschool离线版2015 chm 完整版-w3school离线手册2015
- 12ys2给水工程图集 pdf高清电子版
- 12j4-1常用门窗图集 pdf电子版
- html5从入门到精通 pdf 完整版 高清电子版
- c程序设计语言第2版新版pdf 附习题解答
- 大脚丫跳芭蕾ppt绘本故事
- 新12D3电力线路敷设安装图集 pdf高清电子版
- 尼康p7800使用说明书 pdf高清电子版
- 99D501-1建筑物防雷设施安装图集 pdf高清电子版
- 新12j01 工程作法图集
- 陕02G05钢筋混凝土过梁图集 pdf高清电子版
- 04j101砖墙建筑构造图集 pdf格式高清版
- 通信原理 樊昌信 pdf电子版









