99s202室内消火栓安装图集 pdf高清版
http://www.100md.com
2016年5月19日
![]() |
| 第1页 |
![]() |
| 第2页 |
![]() |
| 第6页 |
![]() |
| 第16页 |
![]() |
| 第22页 |
![]() |
| 99s202室内消火栓安装图集 |
![]() |
| 99s202图集 |
![]() |
| 99s202图集 |
参见附件(1347KB,29页)。
99s202图集是安装室内消火栓的标准图集,所有室内消火栓安装都必须遵循这个图集标准。所有安装人员必须牢固记住99s202图集。欢迎下载!
99s202图集介绍
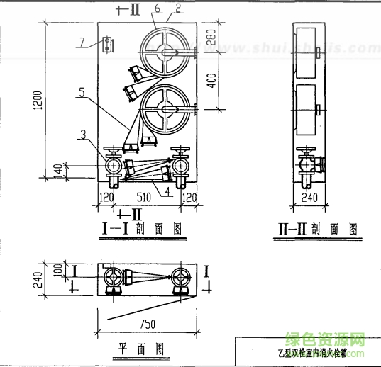
99s202《室内消火栓安装》国家建筑给水排水专业标准设计图集,是在1987年编制的《室内消火栓安装》(875163)基础上,依据现行国家标准GB14561-93《消火栓箱》由机械工业部第一设计研究院进行修编。消火栓箱体尺寸为800×650、1000×70。
99s202图集样图
使用说明
本图集为PDF格式,需要专门的pdf阅读器才能打开。如果电脑中没有安装阅读器,请先下载安装相关的PDF阅读器,安装完成后即可进行阅读。
相关资料1:
- 03s402室内管道支架及吊架图集 pdf彩色扫描版
- 《室内色彩设计法则》.pdf
- 0465-简约室内装饰公司介绍PPT模板.pptx
- 山东l96j901室内装修图集 pdf高清电子版
- 房屋装修合同范本2017 word格式通用版-室内装修合同范本
- 西南08j105室内墙面装饰构造图集 pdf高清电子版
- 辽2004g304室内外地沟图集 pdf高清电子版
- 95R417-1室内热力管道支架图集 pdf高清电子版
- 视觉污染.ppt
- 04S202室内消火栓安装图集 pdf高清电子版
- 05R417-1室内管道支吊架图集 pdf高清电子版
- 室内设计师培训教材.pdf
- [室内装饰植物设计与范例].车生泉.扫描版.pdf
- 08s208室内固定消防炮选用及安装图集 pdf高清免费版
- 《有益健康的128种室内植物·彩图版》扫描版.pdf
相关资料2:
- 数字通信 pdf 第5版
- angularjs中文api手册 v2.0 chm版
- 安川伺服sgdv-5r5a说明书 pdf电子版
- 博朗9050cc往复式剃须刀使用说明书 pdf高清电子版
- A1288中文说明书-科立信KB-A1288TCP/IP网络联网报警主机说明书 pdf高清版
- 14CJ29 VTF与TDF集成防水保温体系建筑构造图集 pdf高清电子版
- 2017鸡年宝宝取名大全 doc完整版
- 03SG409预应力混凝土管桩图集 pdf高清电子版
- unity3d圣典中文手册 v0.02 chm最新版
- 飞利浦剃须刀s9711/33中文说明书 pdf高清版
- 藏地密码1-10txt全集免费 精较完整版 含pdf/mobi/epub-百度云网盘
- 08J907洁净厂房建筑构造图集 pdf高清电子版
- 05SFK10人民防空地下室设计规范图示图集 pdf高清电子版-通风专业
- unity3d权威指南 pdf 电子版-百度云
- 雅马哈kb200电子琴说明书 pdf高清版
.jpg)
_1.jpg)
_2.jpg)
_3.jpg)
_4.jpg)


